走进乐动注册

ABOUT GROUP

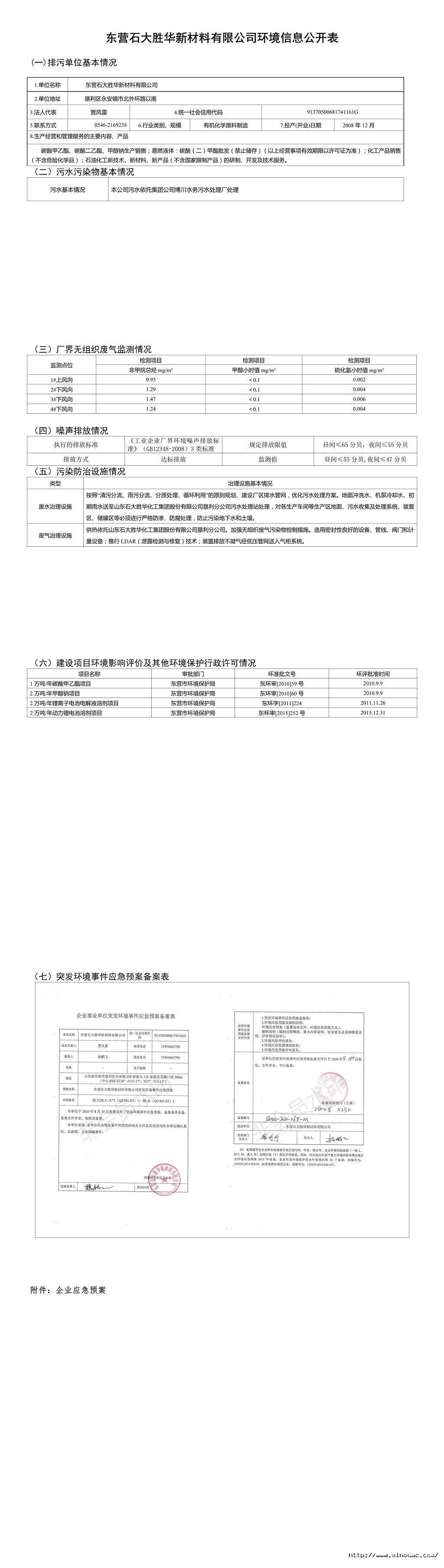
东营石大胜华新材料有限公司环境信息公开表

时间:2021-02-02 07:57:00 关注度:Loading...
分类:信息公开

上一篇:东营石大胜华新能源有限公司环境信息公开表
下一篇:山东石大胜华化工乐动注册股份有限公司垦利分公司环境信息公开表

联系我们

乐动注册

办公室电话:+86 546 2169028

邮箱:shidashenghua@sinodmc.com
山东省东营市垦利区同兴路198号


jtgzhx.jpg

乐动注册公众号    投诉举报

Copyright ◎ 2020 乐动注册
版权所有 鲁ICP备17017352号-1
鲁公网安备 37052102000204号