走进乐动注册

ABOUT GROUP

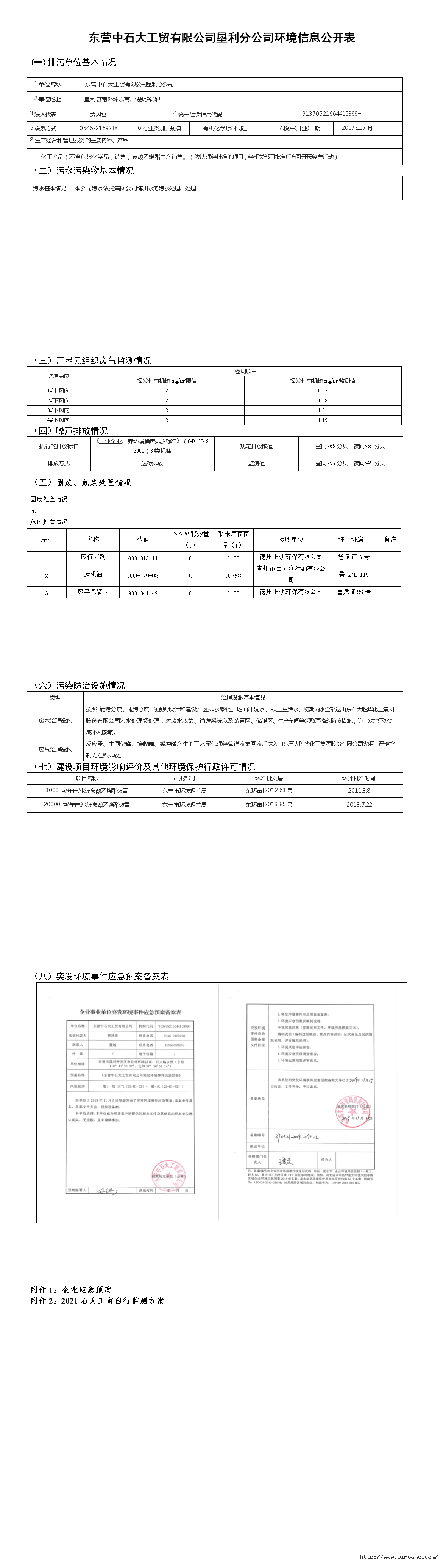
东营中石大工贸有限公司垦利分公司环境信息公开表

时间:2021-10-28 11:18:00 关注度:Loading...
分类:信息公开

上一篇:东营石大胜华新材料有限公司环境信息公开表
下一篇:东营中石大工贸有限公司垦利分公司环境信息公开表

联系我们

乐动注册

办公室电话:+86 546 2169028

邮箱:shidashenghua@sinodmc.com
山东省东营市垦利区同兴路198号


jtgzhx.jpg

乐动注册公众号    投诉举报

Copyright ◎ 2020 乐动注册
版权所有 鲁ICP备17017352号-1
鲁公网安备 37052102000204号